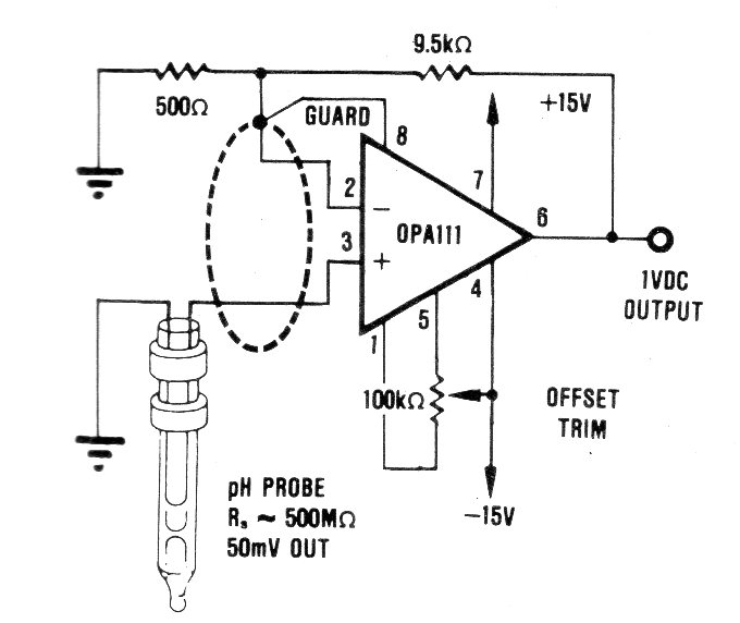
La impedancia de entrada de este amplificador es del orden de 1014 siendo la misma indicada para los electrodos de medición de pH. El amplificador sugerido en esta antigua aplicación no es el más común en la actualidad, pero existen equivalentes.
Este sencillo circuito permite probar los circuitos integrados CMOS 4001 y 4011. Consta de un...
Este circuito se encontró en una documentación médica estadounidense de 1970. El circuito rechaza la...
Este circuito se da en dos versiones, habiéndose encontrado en una publicación de los años 90. El...