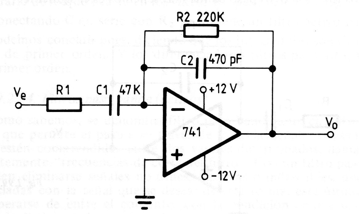
Este filtro, que utiliza un 741 operacional, pasa la banda de frecuencia de 500 Hz a 1 500 Hz, con los valores de los componentes utilizados. El circuito puede tener estos componentes alterados para permitir el paso de otras bandas de frecuencia. La fuente de alimentación debe ser simétrica con un rango de tensión de 6 a 15 V.




