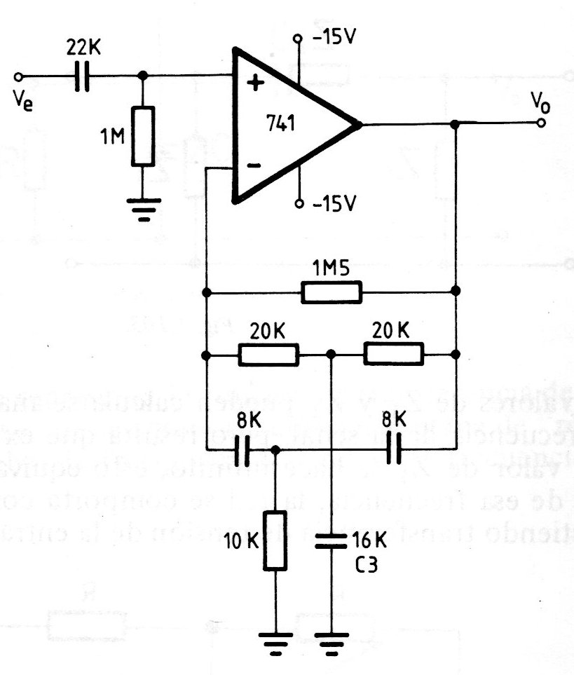
La ganancia de este circuito a 1 kHz [y 40 dB cae rápidamente cuando la frecuencia se desvía de este valor. La frecuencia depende del doble T que se puede cambiar para operar con otros valores de sintonización. Vea en la sección de matemáticas del sitio web cómo calcular este circuito. La fuente simétrica puede estar entre 6 y 15 V.




