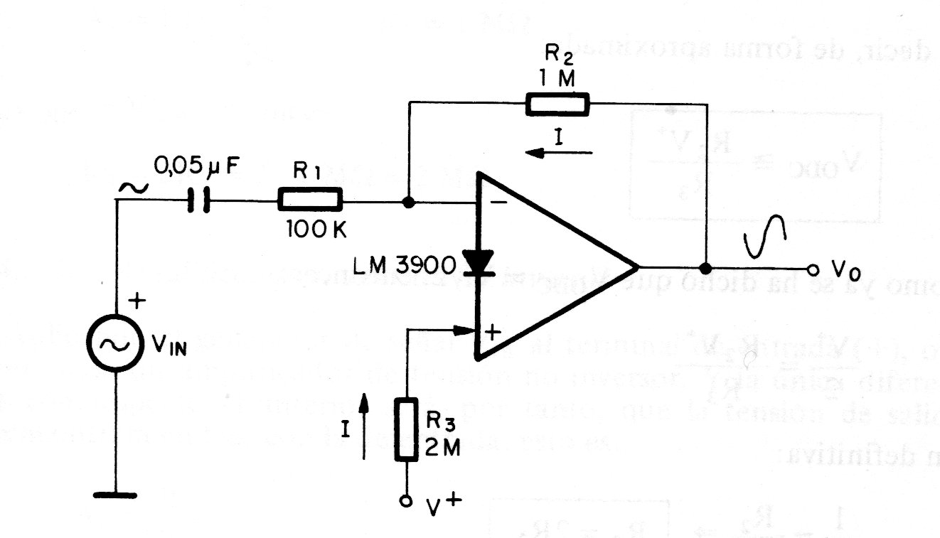
En la figura tenemos la configuración básica de un amplificador operacional para señales AC usando el LM3900, un operacional de transconductancia que aún se puede encontrar con cierta facilidad. R2 y R1 se pueden cambiar para obtener otras ganancias.




