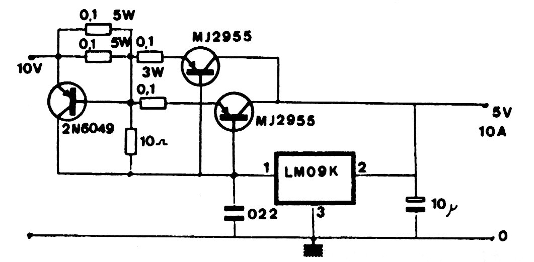
Encontramos este regulador de tensión para 5 V con corriente hasta 10 A en un antiguo manual de circuitos integrados. Los componentes utilizados no son muy comunes hoy en día y los transistores deben montarse en excelentes disipadores de calor.
Este sencillo circuito permite probar los circuitos integrados CMOS 4001 y 4011. Consta de un...
Este circuito se encontró en una documentación médica estadounidense de 1970. El circuito rechaza la...
Este circuito se da en dos versiones, habiéndose encontrado en una publicación de los años 90. El...