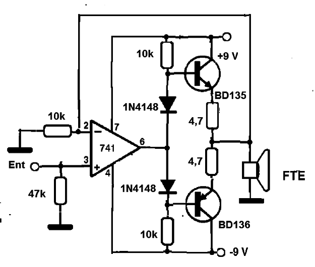
La versión original de este circuito fue sugerido por una Radioelectrónica de 1990. El circuito se puede montar con el par BD135 BD136 y con algunos cambios que hemos hecho en el diseño original. Tenga en cuenta el altavoz es de alta impedancia. Con el par de BD puede tener una impedancia inferior para los altavoces y mayor potencia de salida. La ganancia del circuito viene dada por R1. La fuente de alimentación debe ser simétrica con una excelente filtraje. La entrada es de alta impedancia. Los transistores de salida pueden montar en pequeños disipadores de calor.




