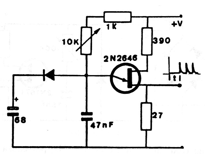
El capacitor conectado al diodo retrasa el inicio de funcionamiento del oscilador, cuya frecuencia depende del otro capacitor y se ajusta en el potenciómetro. Este circuito es de un antiguo manual de transistores unijuntura y otros circuitos.
Este circuito simple hace que un LED parpadee al ritmo de la música de pequeños aparatos de sonido...
Nuestro proyecto consiste en un simple electroimán que, alimentado por una pila común puede atraer...
Las pilas recargables o las baterías de Nicad consisten en una de las fuentes de energía más...