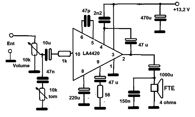
El circuito presentado utiliza un circuito integrado Sanyo, no es muy común en nuestros días. Este amplificador proporciona una potencia de 5,5 W en 4 Ω de carga que se encuentra en muchas radios de coche y casetes más antiguos. Se puede utilizar en un buen sistema de sonido, intercomunicadores y como amplificador multimedia, la fuente debe proporcionar al menos 2,5 A por canal. El circuito integrado debe estar provisto de radiador de calor.




