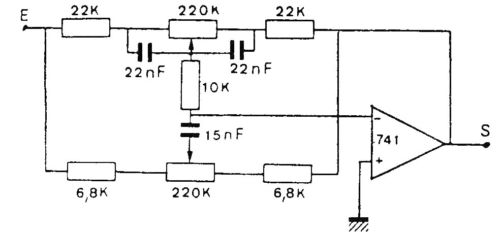
Encontramos este circuito, que aparece con variaciones en este sitio, en una documentación europea de los años 90. El circuito debe ser alimentado por una fuente simétrica y se pueden utilizar otros operacionales. Los cables de señal deben estar blindados.




