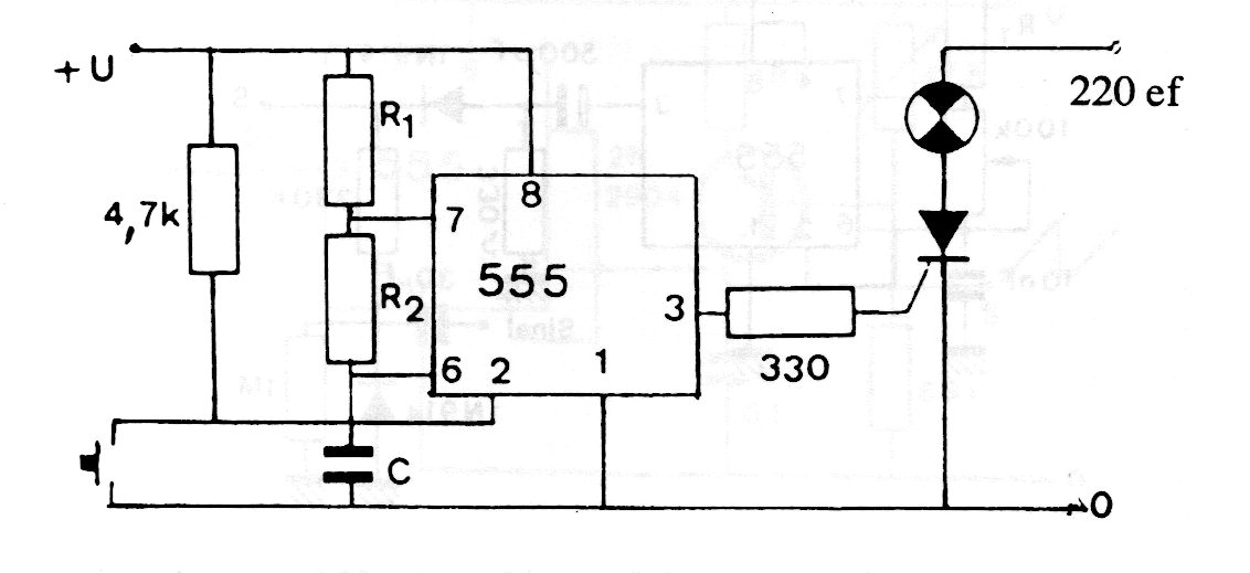
En la figura tenemos la forma de controlar la acción de un SCR usando un 555. El tiempo de oscilación del astable 555 depende de R1, R2 y C. En el sitio web hay varios artículos que enseñan cómo calcular estos componentes.
El circuito mostrado en la figura es sugerido por Texas Instruments y permite la transmisión de datos en...
Esta fuente de alimentación se encuentra en una documentación de 1958. La corriente es entre 500...
Este simple circuito expandible se obtuvo de una Popular Electronics de los años 80. La tensión de...