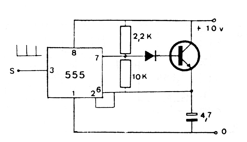
Este circuito genera pulsos de corta duración mediante un circuito integrado 555. Los pulsos son de 120 ms con una separación de 10 segundos, para los valores de los componentes utilizados. Se pueden realizar cambios en los valores de los componentes y el transistor es un BC548.




