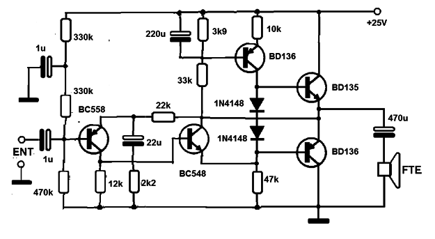
Encontramos esto amplificador en una publicación de 1990, pero todavía puede ser montado con el intercambio de componentes hechos. Por ejemplo, Q1 y Q3 pueden ser el BC558., Q2 puede ser un BC548. Q4 un BD135 y BD136 un Q5. En el original se utilizaban transistores que ya no se pueden encontrar con facilidad. La fuente debe ter corriente en el orden de 500 mA. La fuente debe tener excelente filtrado, para evitar cualquier ronquidos. La salida consiste en los auriculares 8-600 ohmios de impedancia. La impedancia de entrada es alta y alta la sensibilidad. El amplificador puede funcionar con señales de unos pocos milivolts.




