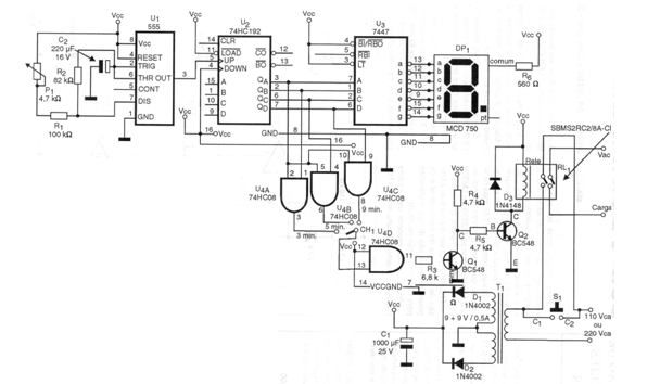
Este circuito se encontró en una documentación de 1998. Consiste en un temporizador con un indicador de 1 dígito para intervalos de tiempo de hasta 99 minutos. La lavadora se apaga automáticamente debido a la acción del relé. El circuito debe alimentarse con 5 V ya que utiliza circuitos integrados TTL.




