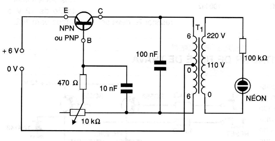
Este circuito consta de un oscilador de prueba para transistores NPN de media y alta potencia. Para PNP, simplemente invierta la polaridad del suministro. El transformador tiene un devanado de 6 a 9 V con una corriente de 100 a 500 mA. P1 ajusta el punto de oscilación que enciende la lámpara.




