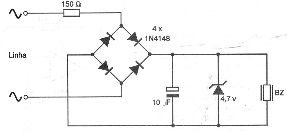
Este circuito permite la activación de un timbre telefónico remoto fabricado con una cápsula piezoeléctrica común. El circuito no necesita energía, ya que es alimentado por la propia señal de llamada de línea.
El circuito mostrado en la figura es sugerido por Texas Instruments y permite la transmisión de datos en...
Esta fuente de alimentación se encuentra en una documentación de 1958. La corriente es entre 500...
Este simple circuito expandible se obtuvo de una Popular Electronics de los años 80. La tensión de...