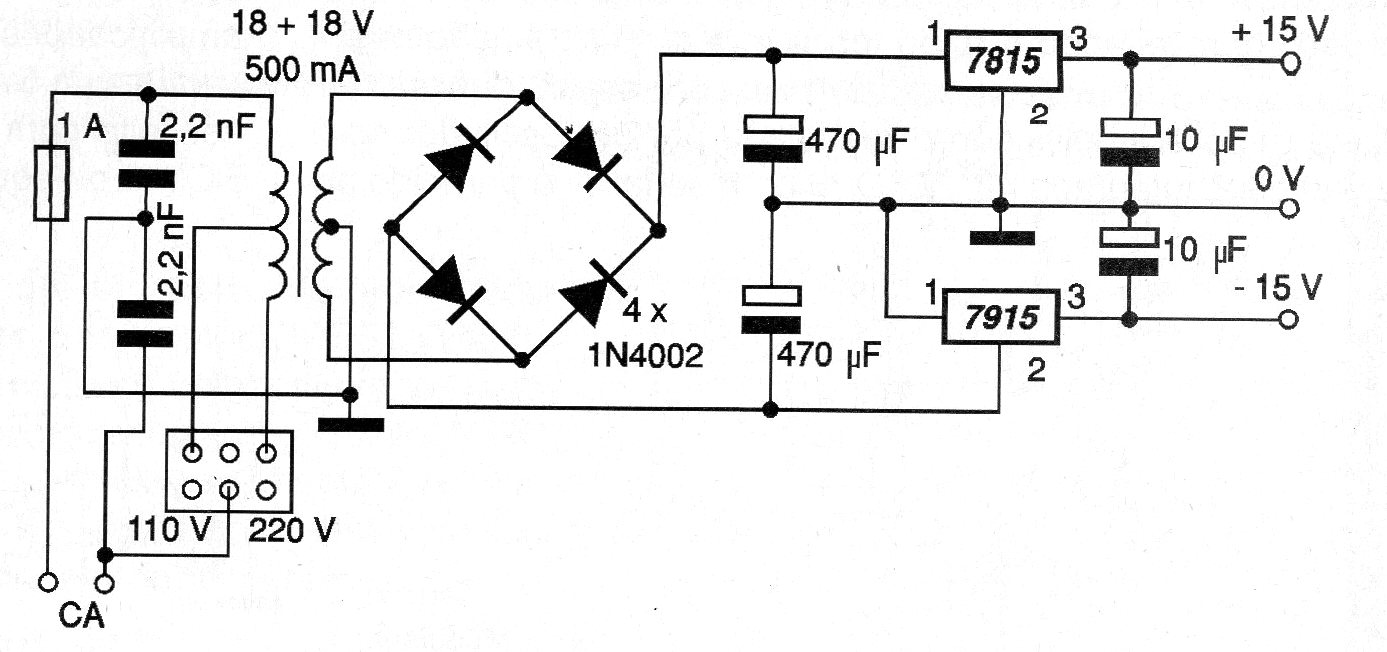
Esta fuente simétrica utiliza reguladores de las series 78xx y 79xx y se puede adaptar para alimentar otras tensiones según el xx de los reguladores. Estos deben estar equipados con disipadores de calor y la corriente máxima es de 1 A. Este circuito es adecuado para el proyecto CIR3427S.




