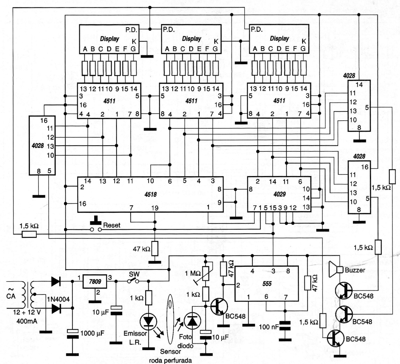
Este es un proyecto que se puede adaptar fácilmente para otros fines como contar personas, objetos, todo dependiendo del sensor. Incluso el límite de conteo, que es 999, se puede modificar para la aplicación deseada. El tipo de sensor, que es óptico, también se puede cambiar y gracias a la presencia del monoestable 555 se pueden utilizar sensores de contacto como interruptores reed o incluso circuitos de accionamiento electrónicos.




