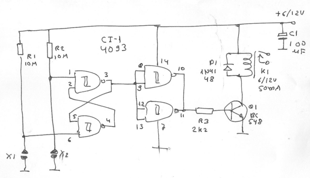
Con el circuito mostrado en la figura, es posible conectar o desconectar una carga controlada por el relé tocando los sensores X1 y X2.
El circuito mostrado en la figura es sugerido por Texas Instruments y permite la transmisión de datos en...
Esta fuente de alimentación se encuentra en una documentación de 1958. La corriente es entre 500...
Este simple circuito expandible se obtuvo de una Popular Electronics de los años 80. La tensión de...