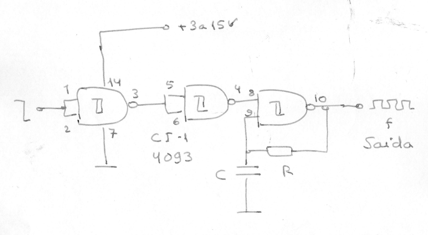
El circuito que se muestra en la figura genera una señal rectangular que depende de R y C, cuando su entrada pasa al nivel alto. Para una señal en el rango de audio, R puede estar entre 10 k ohms y 47 k ohms y C entre 22 nF y 470 nF. La alimentación se puede realizar con tensiones de 5 a 15 V y la frecuencia máxima generada ronda los 5 MHz. Para activar el circuito con señales en el nivel bajo, simplemente elimine el segundo puerto NAND conectando el pino 3 directamente al pino 8.




