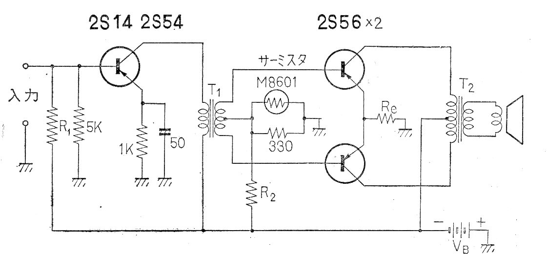
Esta etapa amplificadora con salida push-pull utiliza transistores de germanio que se encuentran en la documentación japonesa de la década de 1960. Los transformadores son de los tipos adecuados utilizados en los amplificadores de la época y el suministro se realiza con una tensión de 6 a 12 V.




