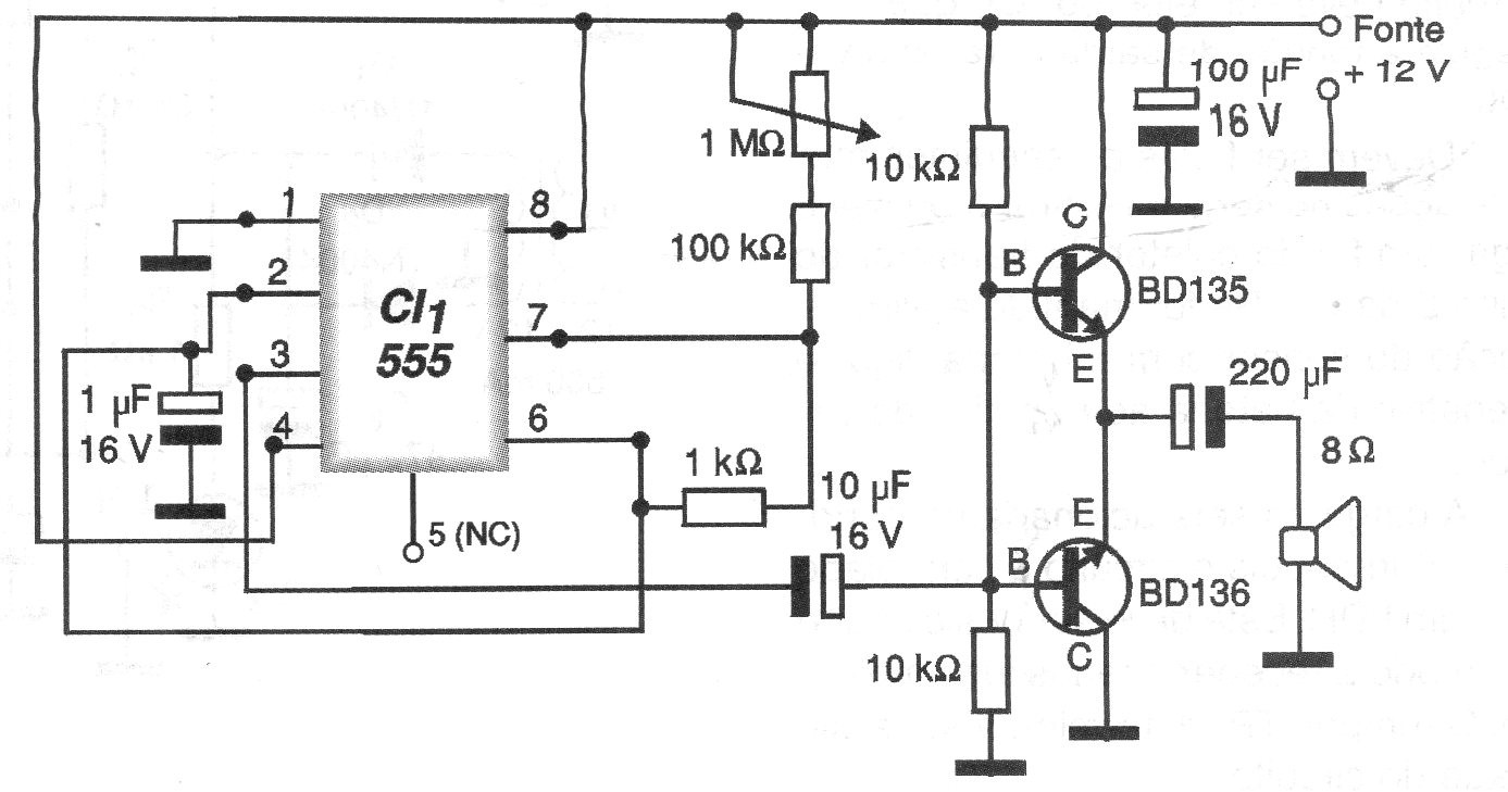
Este circuito es de una documentación del año 2000. Genera pulsos rápidos como una batería o lentos como un metrónomo, ajustados en el potenciómetro de 1 M. La alimentación, en realidad, puede ser hecha por tensiones de 6 a 12 V. Con 12 V es conveniente utilizar disipadores de calor para los transistores.




