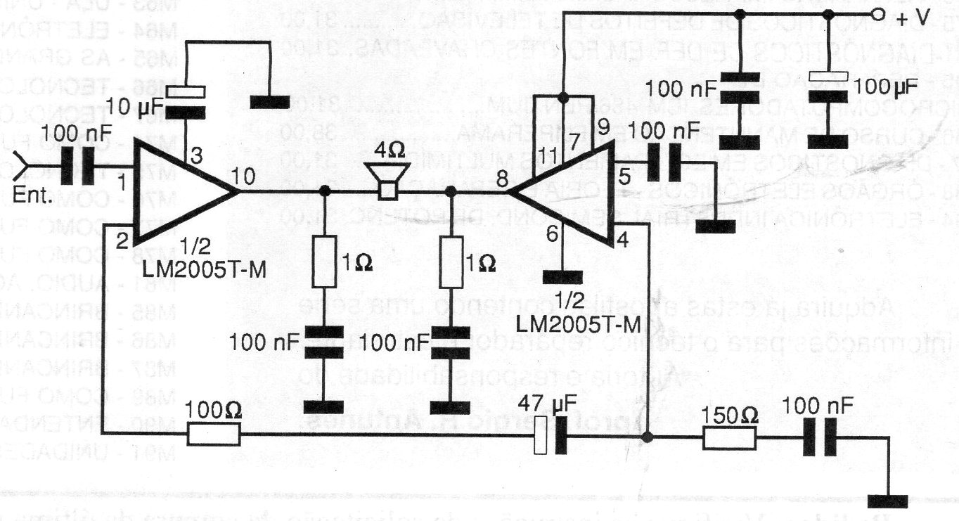
Este circuito es de una documentación de 1999 y la potencia indicada es PMPO para una carga de 4 ohms. Dos unidades se deben montar en una versión estéreo. El circuito funciona con tensiones de 12 a 14 V. El circuito integrado debe estar dotado de un buen disipador de calor.




