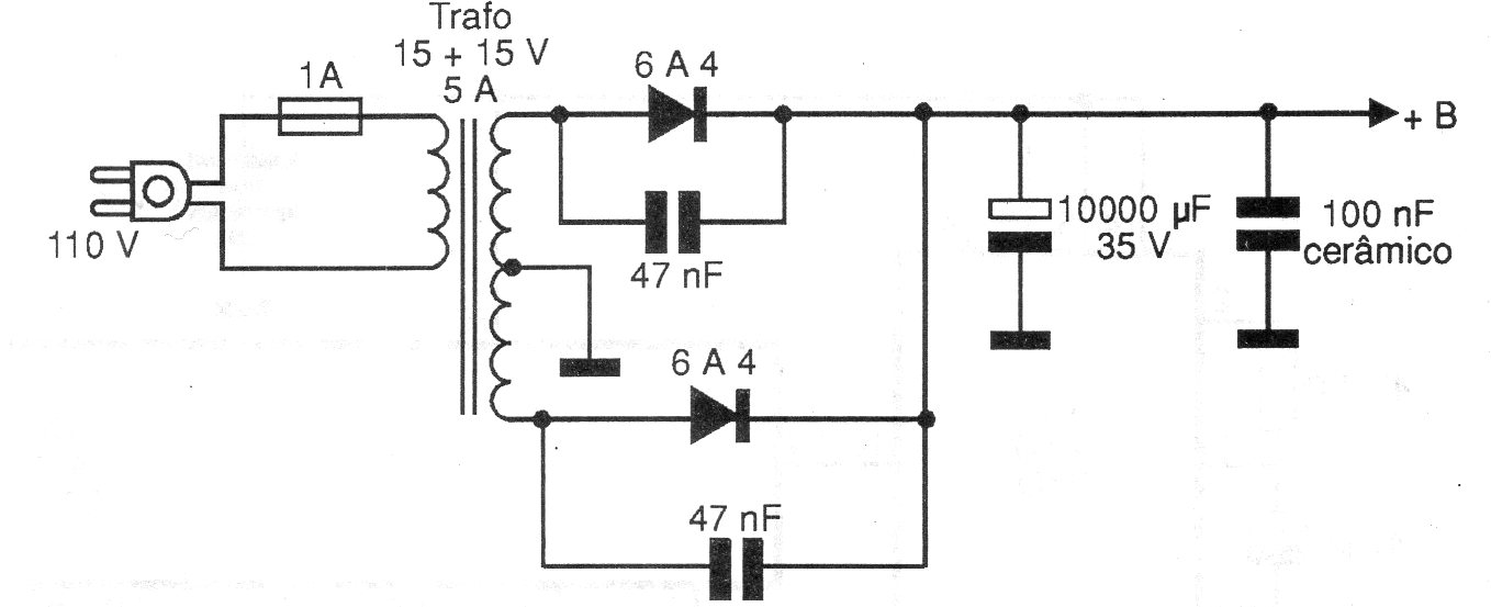
Esta fuente simple está indicada para reguladores de tensión de 5 A x 12 V como la del circuito CIR7054S. Los diodos son para 6 A o más con 50 V de tensión inversa o más. El transformador es de 5 A o menos según el regulador usado.
El circuito mostrado en la figura es sugerido por Texas Instruments y permite la transmisión de datos en...
Esta fuente de alimentación se encuentra en una documentación de 1958. La corriente es entre 500...
Este simple circuito expandible se obtuvo de una Popular Electronics de los años 80. La tensión de...