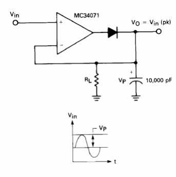
Este circuito es del Linear Databook de Motorola de 1990. Los valores de los componentes dependen de la tensión que se desea detectar y la configuración se puede aplicar a otros operacionales.

Este circuito es del Linear Databook de Motorola de 1990. Los valores de los componentes dependen de la tensión que se desea detectar y la configuración se puede aplicar a otros operacionales.
