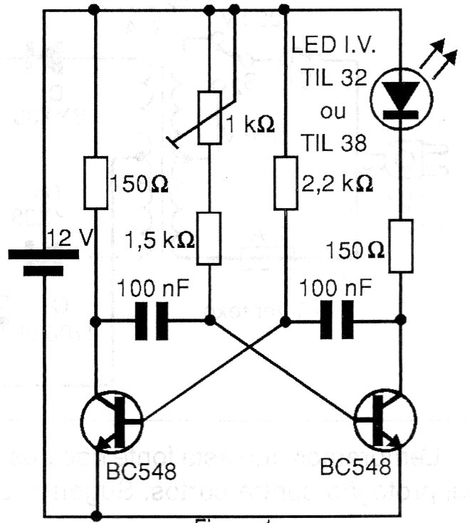
Este circuito es para el sistema que tiene como receptor CIR10249. El LED emisor debe instalarse en un tubo con lente, para mayor directividad y alcance. El circuito tiene el ajuste hecho en un trimpot y puede ser alimentado por pila de 12 V del tipo usado en controles remotos comerciales.




