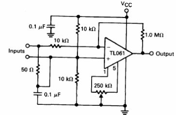
El circuito es del Linear Databook de Motorola de 1990, pero la configuración es actual ya que el circuito integrado utilizado puede ser encontrado con facilidad, de diversos fabricantes.

El circuito es del Linear Databook de Motorola de 1990, pero la configuración es actual ya que el circuito integrado utilizado puede ser encontrado con facilidad, de diversos fabricantes.
