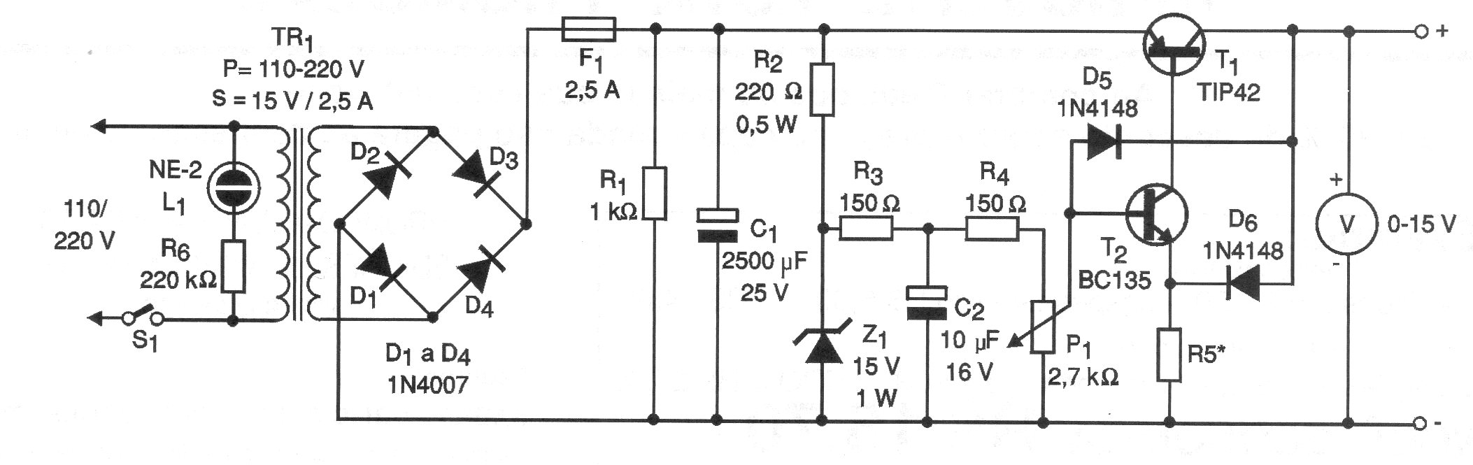
Esta fuente de alimentación utiliza sólo transistores y tiene buen rendimiento, pudiendo ser usada en la bancada del experimentador. El transistor de potencia debe montarse en un disipador de calor y el instrumento de medida en la salida puede ser sustituido por el multímetro.




