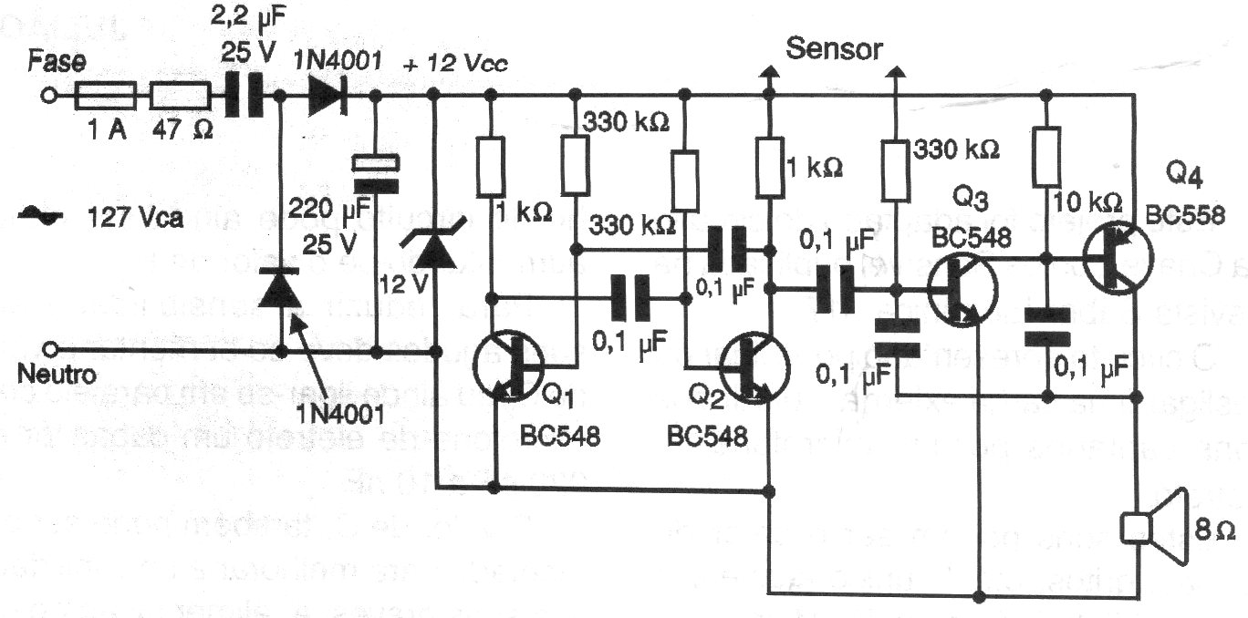
Este circuito avisa cuando los primeros goteos de una lluvia caen en un sensor, evitando que la ropa colocada para secarse se moje nuevamente. El circuito es simple, pero se debe tener cuidado con el sensor expuesto, pues la alimentación es hecha por fuente sin transformador. El sensor consta de dos pantallas con un pedazo de tejido entre ellas.




