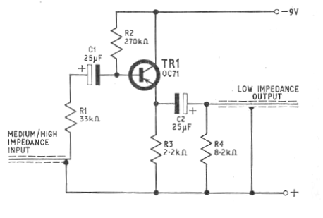
Este circuito casa una fuente de señales de audio de alta o media impedancia con una salida de baja impedancia. Se pueden utilizar transistores equivalentes. El circuito fue encontrado en una documentación de 1965.

Este circuito casa una fuente de señales de audio de alta o media impedancia con una salida de baja impedancia. Se pueden utilizar transistores equivalentes. El circuito fue encontrado en una documentación de 1965.
