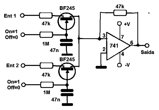
El circuito que dio origen a esta configuración se encontró en una revista de la década de 1980. Con el intercambio de los principales componentes por otros más modernos la montaje se hace factible hoy en día. Su propósito es cambiar las señales de audio a partir de niveles lógicos digitales y tensiones de control. La fuente de alimentación debe ser simétrica y los transistores pueden ser el BF245 o MPF102. Se debe tener cuidado con el blindaje de los cables de entrada y salida de la señal. La fuente debe ser simétrica 15 V y equivalentes al 741 pueden ser utilizados. También se pueden añadir más entradas para las señales.




