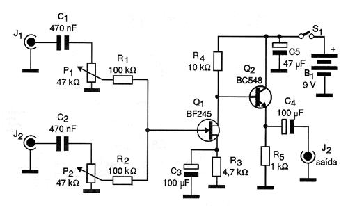
El mezclador de dos canales presentado en la figura consiste en la solución ideal para los casos en que necesitamos una configuración económica y eficiente. Aquí sólo hay dos canales de entrada, pero nada impide que la configuración se amplíe con la repetición de los pasos de entrada (C1, P1 y R1). El circuito tiene una alta impedancia de entrada y una buena ganancia gracias al uso de un transistor de efecto de campo de unión. La impedancia de salida es baja con una señal de buena amplitud capaz de excitar la mayoría de los amplificadores de audio común y otros equipos tales como transmisores, etc. Los jack de entrada pueden ser del tipo RCA, así como el de salida.




