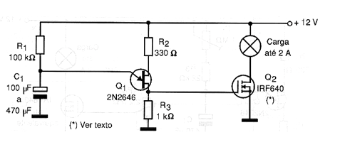
El circuito mostrado en la figura produce pulsos de luz de alta intensidad en frecuencia que depende del resistor de 100 k ohms. Este componente puede ser cambiado por un potenciómetro de 1 M ohms en serie con un resistor de 47 k ohms para tener un ajuste de frecuencia. La intensidad del pulso se determina en cierto modo por el tiempo de descarga del capacitor a través de R1 de forma que los cambios de valor del capacitor pueden influir en este parámetro. Los experimentos recomiendan capacitores de 100 ?F a 470 ?F para que se tenga una buena potencia para las pulsaciones. Las lámparas de 12 V con corrientes de 500 mA a 2 A son las recomendadas para las aplicaciones comunes.




