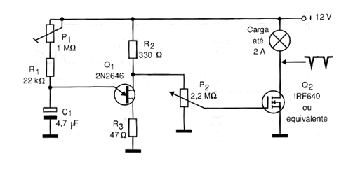
Los pulsos de luz producidos por este circuito son negativos, es decir, la lámpara da breves "apagados" a una frecuencia determinada por el ajuste de P1, y cuya profundidad es determinada por el ajuste de P2. El circuito que puede controlar las lámparas de alta potencia se ve en la figura. El capacitor determina la frecuencia y se puede cambiar en una amplia gama de valores.




