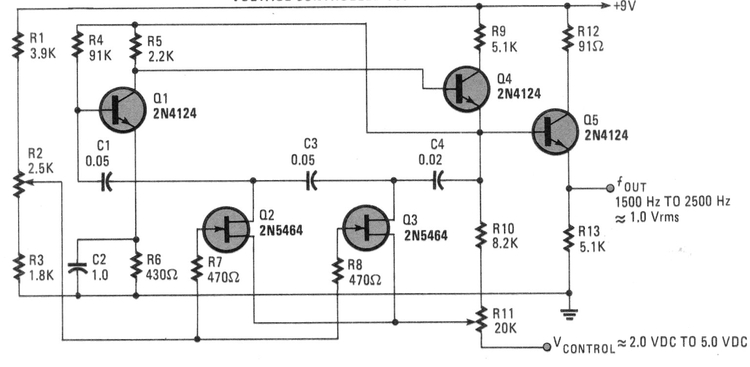
Encontramos este circuito en una Poptronics americana de la década de los 90. La revista ya no existe, pero el circuito puede ser elaborado con transistores BC548 y para los FET se pueden usar los BF245. El rango de frecuencias con los componentes indicados está entre 1 500 y 2 500 Hz.




