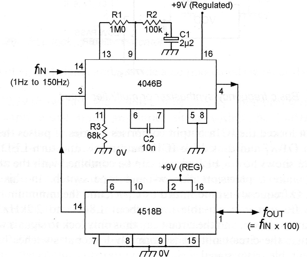
Este circuito multiplica por 100 la frecuencia de una señal de entrada desde que la salida no supere 1 MHz. El circuito se puede utilizar como escudo de escudo para aplicaciones en las que la señal sensorial es de muy baja frecuencia. El circuito debe ser alimentado por tensiones de 5 V en este caso, y para otras aplicaciones puede ir a 12 V.




