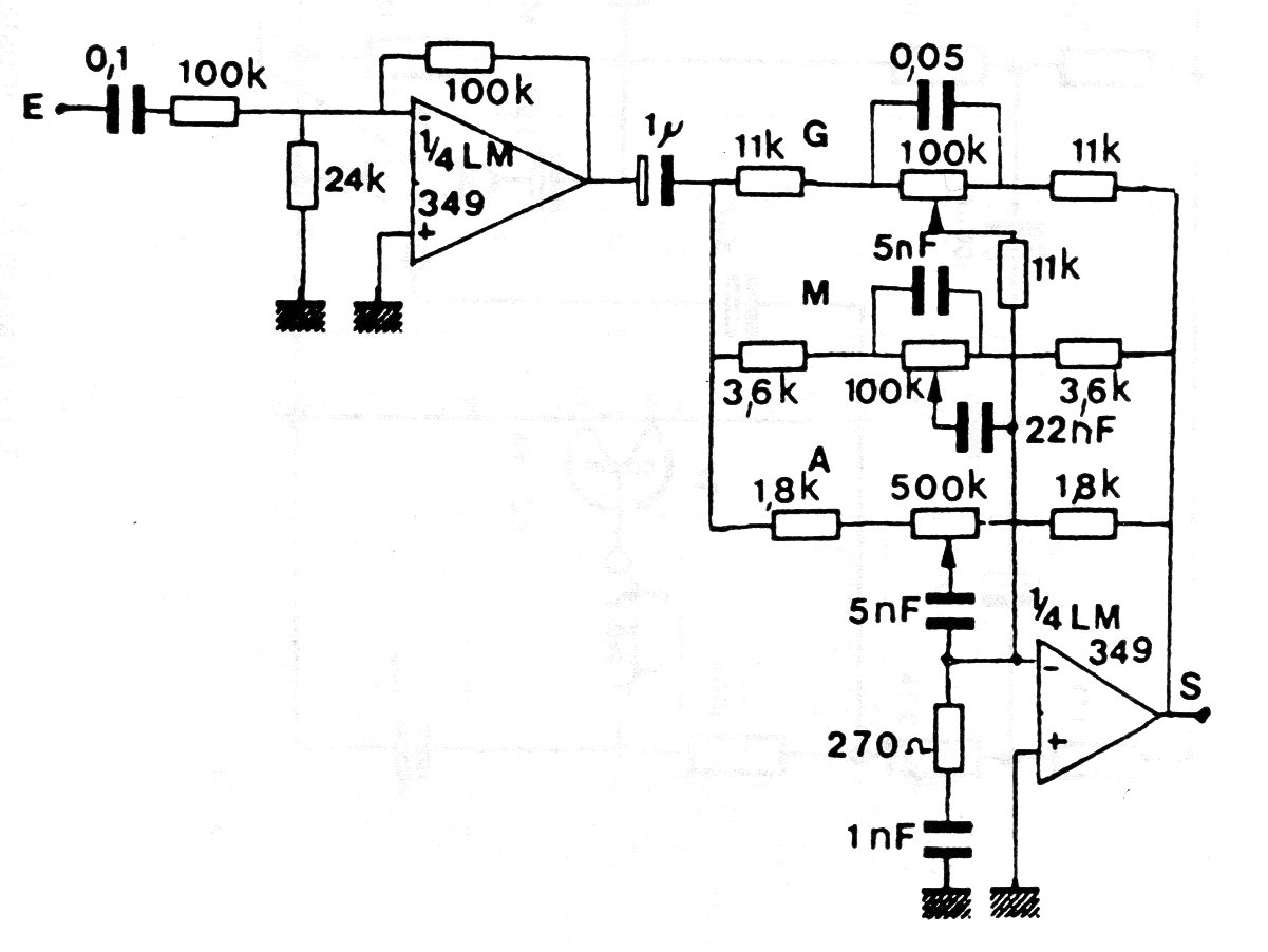
Este circuito, de una publicación francesa no muy reciente, utiliza un amplificador operacional poco común actualmente, pero se puede utilizar equivalentes dobles o incluso simples. La fuente debe ser simétrica y los valores de los componentes pueden ser aproximados a los estandarizados actuales comunes.




