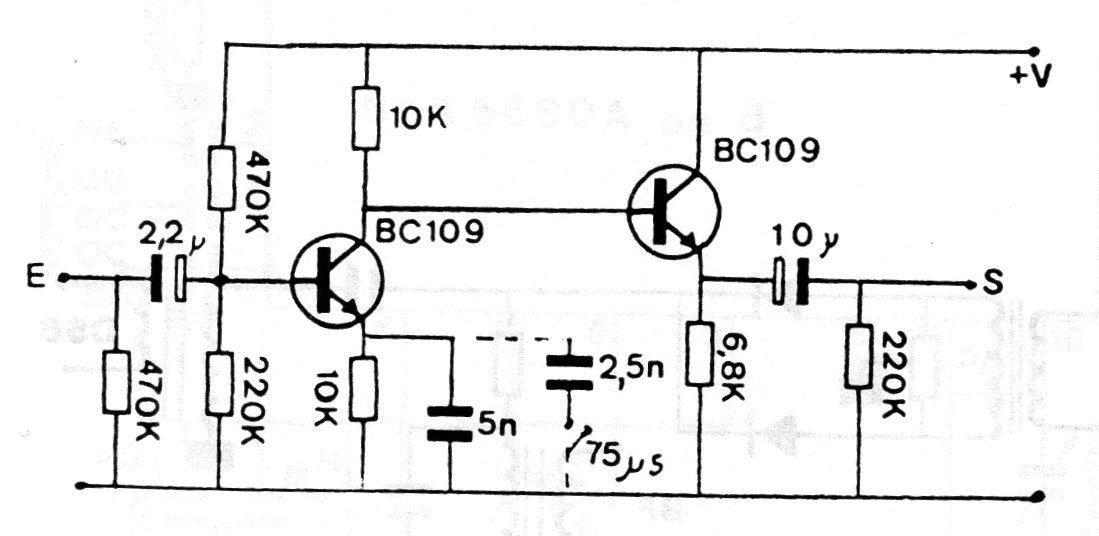
Esta es una versión mejorada del circuito anterior (CIR6767S), ya que tiene un paso adicional de amplificación. Los transistores pueden ser los tipos equivalentes más modernos BC549 y si se monta en una placa separada, los cables de señal deben ser blindados. La alimentación puede oscilar entre 9 y 15 V.




