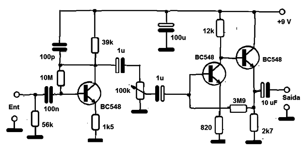
Este excelente preamplificador de audio de tres transistores es adecuado para su uso con micrófonos de alta impedancia. Los transistores pueden ser el BC548 y la alimentación una batería de 9 V. Si se utiliza la fuente, el filtrado debe ser excelente. El consumo es muy bajo. El circuito original es de una publicación Inglesa, de 1979 se han realizado cambios para que sea factible hoy en día. Cables de entrada y de salida deben ser blindados. El nivel de la señal de salida es suficiente para excitar la entrada de la mayoría de los amplificadores. La impedancia de entrada es alta y la impedancia de salida baja. El potenciómetro controla la ganancia del bucle y debe ser ajustada para obtener una salida de amplificador de potencia sin distorsión.




