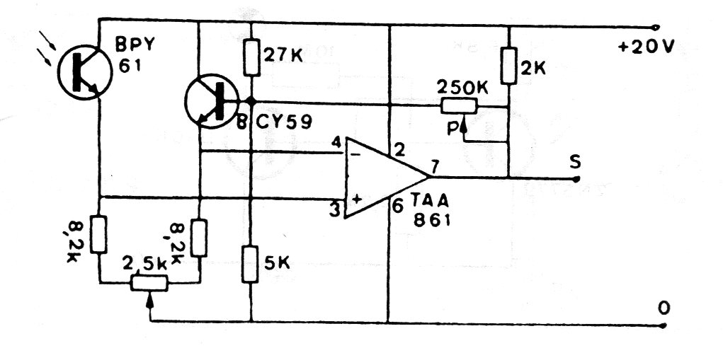
Este circuito utiliza una configuración de amplificador diferencial para manejar un operacional conmutando una salida. El amplificador integrado utilizado es poco común actualmente, pudiendo ser probados equivalentes modernos. En este caso, dependiendo del funcionamiento, la tensión de alimentación puede ser menor.




