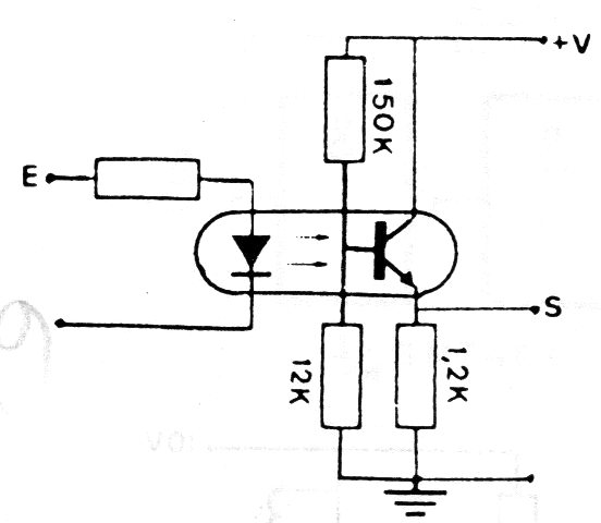
En la figura mostramos cómo usar un foto-acoplador con foto-transistor polarizado para mejor desempeño y ganancia. El circuito es de una documentación francesa y la alimentación depende de la aplicación pudiendo quedar entre 5 y 12 V. El circuito sirve como escudo para microcontroladores. El resistor en serie con el LED depende del nivel de tensión de mando. Para 5 V utilice 330 ohms.




