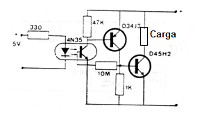
Este circuito tiene por objetivo controlar un relé de potencia conectado al colector del segundo transistor a partir de mando óptico por foto-acoplador. El circuito se puede utilizar como escudo aislado y su alimentación depende del relé empleado. El transistor de potencia puede ser el BD135 y el conductor un BC558.




