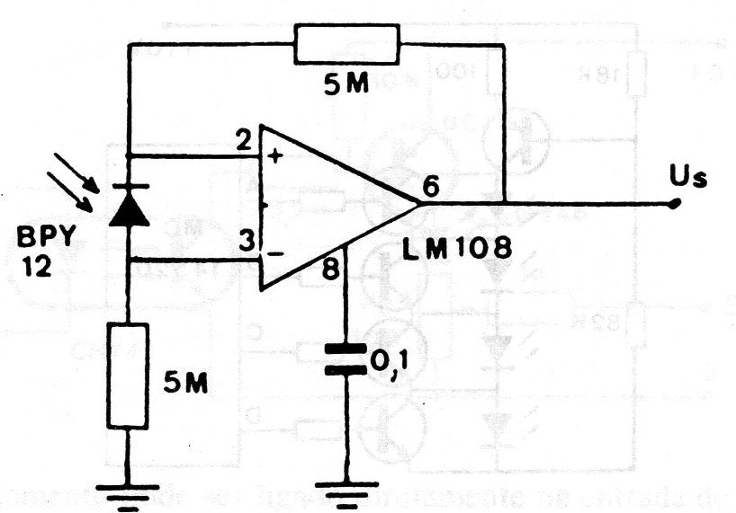
Este circuito utiliza un foto-diodo como sensor y su ganancia dada por los resistores de 5 M (4M7). El amplificador operacional puede ser el 741 u otro alimentado por una fuente simétrica conveniente.
El circuito que veremos a continuación utiliza un elemento de la familia de los semiconductores que aún no es...
Para mostrar las posibilidades que las placas de circuitos impresos universal ofrecen a los...
El circuito presentado en la figura 1 permite la comparación de niveles de luz basados en una escala...