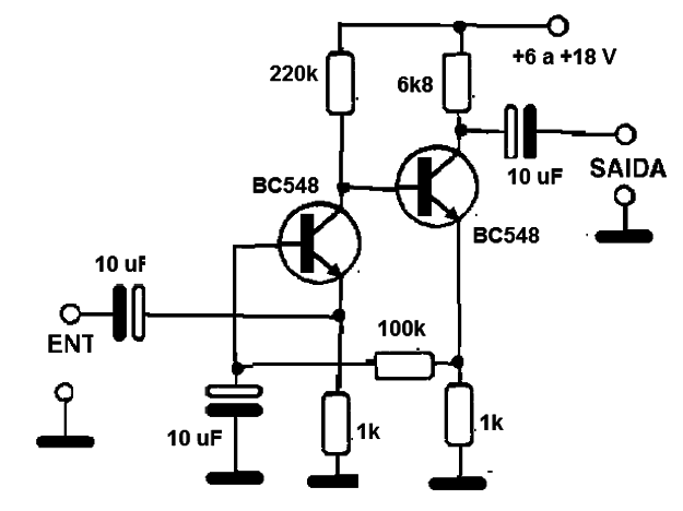
La versión original de este circuito se obtuvo en una publicación de Estados Unidos de 1992, pero se puede montar fácilmente hoy con transistores BC548. Este es un amplificador de dos transistores para fuentes de señal de baja impedancia. El consumo muy bajo permite su alimentación por baterías. Cables de entrada y señales de salida deben ser blindados. Si se utiliza la fuente de alimentación, debe tener una excelente filtraje. Una posibilidad interesante es el uso de BC549 para Q1, ya que este transistor tiene un nivel de ruido más bajo. Altavoces pequeños, pick-up magnéticos y instrumentos musicales se pueden conectar a entrada de esto circuito. Su salida es una señal de unos pocos cientos de milivolts, lo suficiente para excitar a la mayoría de los amplificadores.




