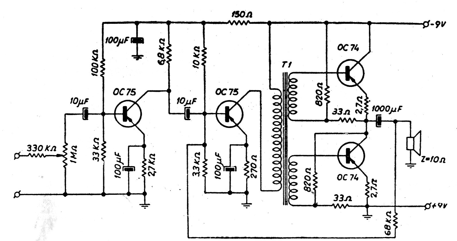
Este es el circuito de un pequeño amplificador comercial de la década de 1970 de Philips argentina. El circuito tiene una sensibilidad de 280 mV un consumo sin señal de 19 mA. Con la potencia máxima de salida a corriente es de 110 mA. El transformador es especial, sirviendo de driver para dos transistores en contra-fase.




