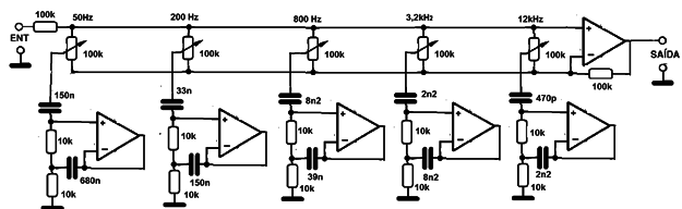
Este circuito debe ser interpuesto entre la fuente de señal y la entrada de grabación o de los circuitos de amplificación. Los amplificadores pueden ser del tipo 741 con fuente de alimentación simétrica y cables de señal blindados. La equiparación de las bandas de frecuencia se indican al lado de cada bloque. En este tipo de ecualizador, la atenuación y refuerzo de cada banda de frecuencia se pueden ajustar por separado. En este circuito específicamente tenemos 5 canales, cuyas frecuencias se indican al lado de cada potenciómetro de ajuste, que debe ser lineal. Los operacionales son todos tipo 741, pero se puede utilizar versiones dobles. La fuente de alimentación debe ser simétrica 6 + 6 + 15 V a 15 V con una excelente filtración. Una fuente de alrededor de 100 mA es suficiente para alimentar el circuito desde que su consumo es muy bajo. Para un equipo estéreo se deben instalar dos unidades de este tipo, uno para cada canal. La fuente de alimentación puede ser única.




