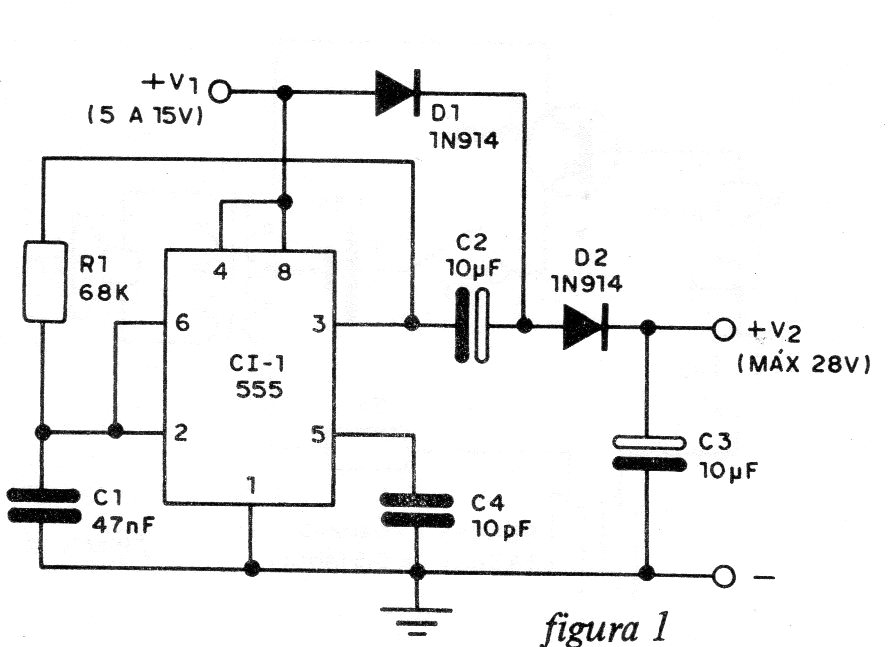
Esta configuración, que aparece en otros proyectos de esta sección y del sitio, muestra cómo utilizar un 555 para elevar la tensión continua de un circuito. El circuito es para corrientes muy bajas y la salida es aproximadamente del doble de la tensión de entrada.




