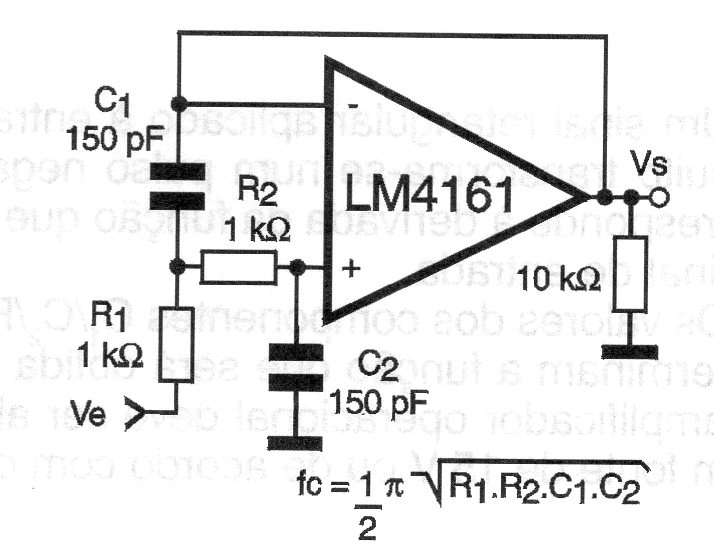
El circuito integrado utilizado en este filtro no es muy común actualmente, pero el lector puede utilizar el equivalente. La fuente de alimentación debe ser simétrica y el cálculo de los componentes en función de la frecuencia es dado por la fórmula junto al diagrama. El circuito aparece en otros puntos de este sitio.




