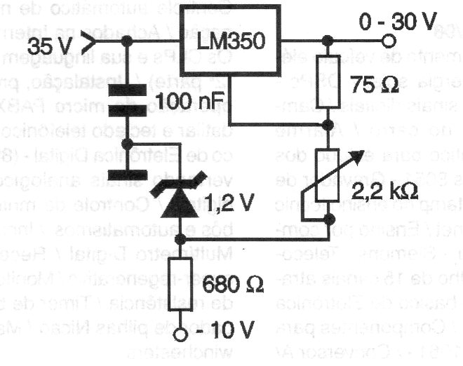
En esta aplicación mostramos cómo obtener regulación a partir de 0 V para un CI regulador LM350. La configuración se aplica también a otros reguladores del mismo tipo. Para esta configuración es necesario contar con una fuente negativa de baja corriente. El integrado debe montarse en un disipador de calor.




