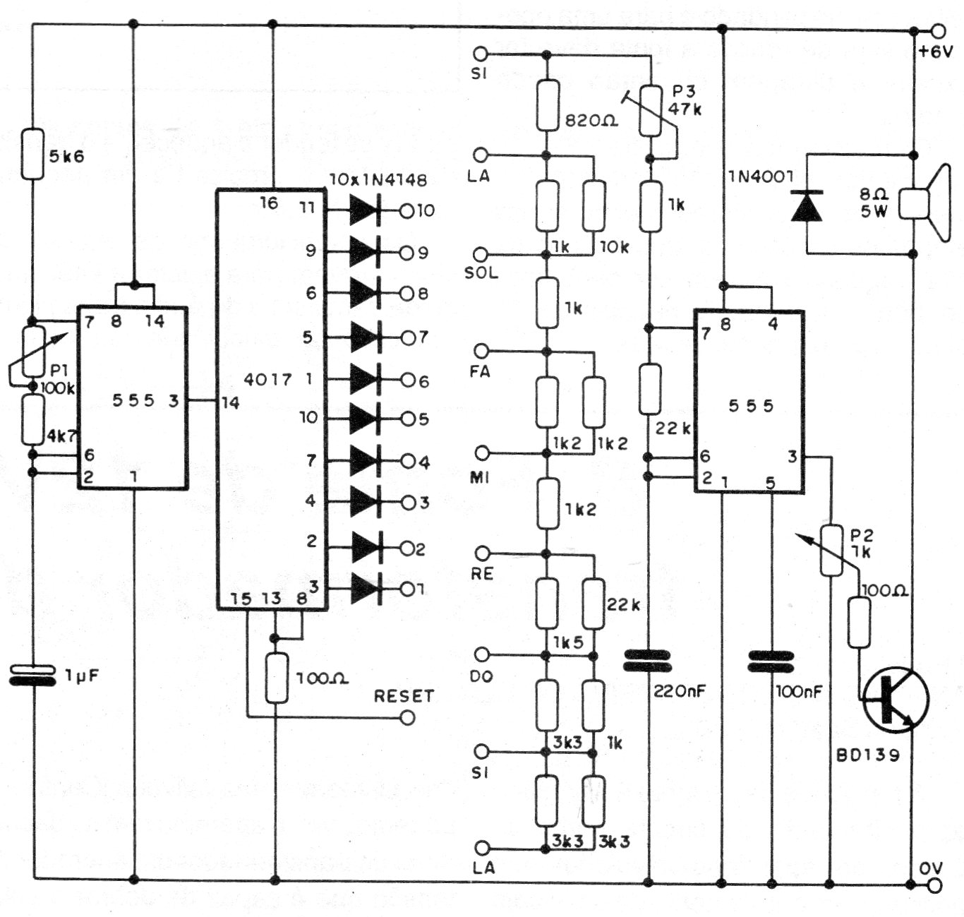
Encontramos este sencillo circuito de caja de música que también se puede utilizar en un timbre musical en una publicación de 1991. El circuito hace uso del 4017 y del 555 y puede, en realidad ser alimentado por tensiones de 5 a 12 V. La selección de las notas tocadas es hecha por puentes en los puntos indicados en el diagrama.




