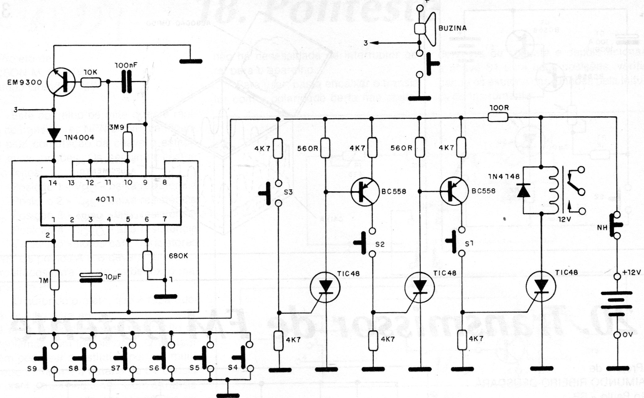
Este circuito de bloqueo codificado con alarma para uso en residencias fue encontrado en una publicación de los años 90. El circuito utiliza componentes que aún son comunes y tanto puede ser alimentado por 12 V proveniente de batería para mayor seguridad y la carga depende sólo del relé utilizado .




